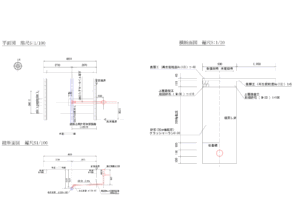
浜松下水取付管のサンプル図
浜松の下水取付管について、 取付管の管径の選び方は、●取付管口径について 昔は125Φが主流だったようです 現在は原則として、「分流100Φ」「合流150Φ」となっております。
・県道は半断面までは復旧する必要があるので、道路中心線まで本復旧としてください
掘削幅900の場合で、例えば道路中心線から本管まで300とします、この場合中心線から150がオーバーしそうですが、全面復旧となりますか?
浜松市道路名検索サイト https://www2.wagmap.jp/hamamatsu/Portal?mid=61 市道名を検索したいときは便利なサイトです。
コメント
浜松の下水取付管について、
取付管の管径の選び方は、●取付管口径について
昔は125Φが主流だったようです
現在は原則として、「分流100Φ」「合流150Φ」となっております。
・県道は半断面までは復旧する必要があるので、道路中心線まで本復旧としてください
掘削幅900の場合で、例えば道路中心線から本管まで300とします、この場合中心線から150がオーバーしそうですが、全面復旧となりますか?
浜松市道路名検索サイト
https://www2.wagmap.jp/hamamatsu/Portal?mid=61
市道名を検索したいときは便利なサイトです。